一、PCB設計對印制電路板結構尺寸的設計要求
1、板的尺寸必須控制在長度100—400mm之間,寬度在80—220mm之間,過大不易控制板的變形,過小要采用拼板設計以提高生產效率。
2、在滿足空間布局與線路的前提下,力求形狀規則簡單。最好能做成長寬比例不太懸殊的長方形,最佳長寬比參考為3:2或4:3 。
3、PCB的兩條長邊應平行,不平行的要加工藝邊,以便于生產加工過程中的設備傳輸。
4、綜合考慮機插效率與波峰焊接需要,若手插主IC長邊與PCB長邊平行,建議采用4拼板設計,若手插主IC長邊與PCB長邊垂直,建議采用3拼板設計。必要時各種顯示板也建議采用拼板機插設計提高生產效率。
5、印制
電路板應有測試工裝的定位孔,定位孔的直徑應該為φ4.0+0.05/-0mm的孔 ,孔距的公差要求在±0.08mm之內,數量至少3個,放置時應盡量拉開距離,且距離板邊緣至少有2mm以上的間距,保證在生產時針床、測試工裝等的方便。
6、印制電路板的結構尺寸(包括外型與孔位)應與電控盒的機械結構設計完全匹配。螺絲孔半徑3.5MM內不能有銅箔(除要求接地外)及元件.(或按結構圖要求)。
7、自動插件工藝的印制電路板的定位尺寸應符合自動插件機的工藝要求,環球自動插件機PCB允許尺寸為mm*mm,松下機自動插件機PCB允許尺寸為mm*mm。
8、自動貼片工藝的印制電路板的定位尺寸應符合自動貼片機的工藝要求,JUKE2050/2060自動貼片機PCB允許尺寸最小為(X)50mm*(Y)30mm,最大為(X)410mm*(Y)360mm。
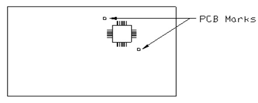
9、在有貼片的PCB板上,為提高貼片元件的貼裝的準確性,一般要求在貼片層對角端放置兩個校正標記(MarkS)點,如位置有限可放置同種形式的一組校正標記(MarkS)點;標記直徑1mm-1.5mm(首選1.5mm)的焊盤或通孔,標記點外需留有直徑4mm的圓形,實心圓形式的圓形范圍內應為無阻焊區或圖案,通孔形式的圓形范圍需全部露銅;
標記(MarkS)點基準點要距離PCB邊緣至少5.0mm;
對于IC(QFP)等當引腳間距小于0.8mm時,要求在零件的單位對角加兩個標記,作為該零件的校正標記,如下圖所示:
二、焊接方向對電路板結構設計的要求
1、一般情況下,印制電路板過波峰焊的方向,應平行于印制電路板的長邊,垂直于印制電路板的短邊;如下圖。
2、過波峰方向盡量與元件腳間距密的IC及接插座連接線等器件的長邊方向一致;如下圖。
3、PCB過波峰方向應在元件面的絲印層上有明確、清晰的箭頭標識;如下圖。
深圳宏力捷推薦服務:PCB設計打樣 | PCB抄板打樣 | PCB打樣&批量生產 | PCBA代工代料
